O Separador de Óleo A-W Tipo Turbashed modelo A-W 6301717 é um componente de alta eficiência projetado para sistemas de refrigeração comercial. Ideal para uso em sistemas de compressores em paralelo (racks), lojas de conveniência e unidades de condensação, este separador garante a separação eficaz do óleo do refrigerante, otimizando o desempenho e prolongando a vida útil do seu sistema.
Características Principais:
Especificações Técnicas:
Tabela de Capacidades:

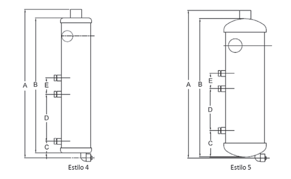
Dimensões:



Benefícios:
Aplicações:
Instruções de Instalação:
Por que Escolher o Separador de Óleo A-W Tipo Turbashed?
O Separador de Óleo A-W Tipo Turbashed é a escolha ideal para quem busca eficiência, confiabilidade e proteção para seu sistema de refrigeração. Com sua alta capacidade de separação e design robusto, este separador garante o desempenho ideal do seu sistema, reduzindo custos de manutenção e prolongando a vida útil dos seus equipamentos.
Ajustei as conexões de entrada e saída para 2 1/8". Se precisar de mais alguma modificação, é só me avisar!
A propósito, estamos em 30/04/2025 14:41:57 (UTC), o que corresponde a 30/04/2025 11:41:57 (UTC-3) no horário de Brasília.
Produtos e serviços destinados a refrigeração comercial e industrial
Utilizamos cookies para que você tenha a melhor experiência em nosso site. Para saber mais acesse nossa página de Política de Privacidade